Aluminium Lugs
High-Voltage Insulation · Smart Power Distribution · Industrial Frequency Conversion.
Aluminium Crimp Lug AU
SOCOME Aluminum cable lug crafted from high-purity aluminum alloy with precision-stamped seamless barrel for tight, non-slip crimping and minimal resistance.
Corrosion-resistant and oxidation-proof, it fits various aluminum cables for indoor/outdoor use in power distribution, industrial wiring, grounding systems, solar setups and low-voltage panels.
Compliant with UL, CE, IEC and RoHS standards, it handles high-current loads reliably; customizable in size, barrel length and surface treatment (tinned/galvanized) with OEM/ODM services available, ideal for global exporters targeting diverse markets.
Material: Aluminium 99.5% purity
Certificate: IEC/CE/ISO
Application: Battery, Industrial, connecting cable
Type: Lugs/Connector
Surface treatment: Tin-plating
Rated Voltage: 600V
Wire range: 16mm2-630mm2
Rated Current: 100A 150A 200A
Package: Carton box
Terminal quality: Prime,high quality
Others: OEM Service Offered
INQUIRY


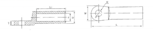
| Part No. | Φ±0.3 | D±0.5 | d±0.3 | L±3 |
| AU-25 | 10 | 12 | 6.8 | 62.5 |
| AU-35 | 10 | 14 | 8 | 77 |
| AU-50 | 10 | 16 | 9.8 | 77 |
| AU-70 | 12 | 18.5 | 11.2 | 84.5 |
| AU-95 | 12 | 22 | 13.2 | 90 |
| AU-120 | 12 | 23 | 14.7 | 95 |
| AU-150 | 12 | 25 | 16.3 | 105 |
| AU-185 | 12 | 28.5 | 18.3 | 108 |
| AU-240 | 12 | 32 | 21 | 122 |
| AU-300 | 16 | 34 | 23.3 | 125 |
| AU-400 | 16 | 38.5 | 26 | 135 |
| AU-500 | 16 | 44 | 29 | 144 |
| Other dimensions aluminium lugs can be customized as your requested. | ||||






| Part No. | Φ±0.3 | D±0.5 | d±0.3 | L±3 |
| AU-25 | 10 | 12 | 6.8 | 62.5 |
| AU-35 | 10 | 14 | 8 | 77 |
| AU-50 | 10 | 16 | 9.8 | 77 |
| AU-70 | 12 | 18.5 | 11.2 | 84.5 |
| AU-95 | 12 | 22 | 13.2 | 90 |
| AU-120 | 12 | 23 | 14.7 | 95 |
| AU-150 | 12 | 25 | 16.3 | 105 |
| AU-185 | 12 | 28.5 | 18.3 | 108 |
| AU-240 | 12 | 32 | 21 | 122 |
| AU-300 | 16 | 34 | 23.3 | 125 |
| AU-400 | 16 | 38.5 | 26 | 135 |
| AU-500 | 16 | 44 | 29 | 144 |
| Other dimensions aluminium lugs can be customized as your requested. | ||||




En
Ru
Es
Fr
Pt